产品详情
简单介绍:
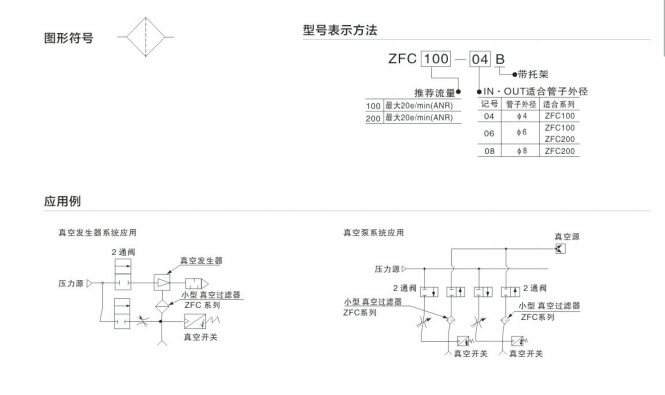
SMC型管道型真空过滤器ZFC100-04B,ZFC100-06B,ZFC200-06B,ZFC200-08B,ZFC200-10BSMC型管道型真空过滤器
详情介绍:
SMC型管道型真空过滤器ZFC100-04B,ZFC100-06B,ZFC200-06B,ZFC200-08B,ZFC200-10B


相关信息